
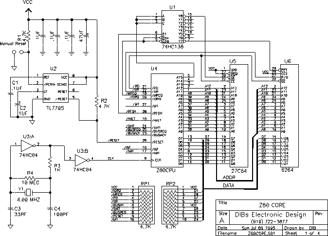
The Z80 Cpu 8Kb RAM and 8Kb EPROM
The 'RFSH' is used to gate the memory decoder because there is no need to enable static memory during
the refresh cycle (since it doesn't need refresh). This lowers the
average power requirement.

The Timer CTC, And Serial Port.

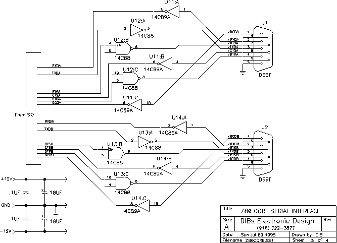
The Serial RS-232 plugs and Line drivers.